沿被测接地极E(C2、P2)和电位探针P1及电流探针C1,依直线彼此相距20米,使电位探针处于E、C中间位置,按要求将探针插入大地。用专用导线将地阻仪端子E(C2、P2)、P1、C1与探针所在位置对应联接。开启地阻仪电源开关"ON",选择合适挡位轻按一下键该档指标灯亮,表头LCD显示的数值即为被测得的地电阻。
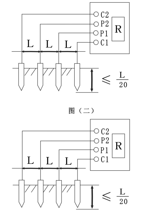
1) 测量时在被测的土壤中沿直线插入四根探针,并使各探针间距相等,各间距的距离为L,要求探针入地深度为L/20cm,用导线分别从C1、P1、P2、C2各端子与四根探针相连接。若地阻仪测出电阻值为R,则土壤电阻率按下式计算:
Ф=2πRL
其中:
Ф—土壤电阻率(Ω·cm)
L—探针与探针之间的距离(cm)
R—地阻仪的读数(Ω)
用此法测得的土壤电阻率可近似认为是被埋入探针之间区域内的平均土壤电阻率。
2) 测地电阻、土壤电阻率所用的探针一般用直径为25mm,长0.5~1m的铝合金管或圆钢。

测量接线如图一,拨掉C1插头,E、P1间的插头保留,启动地电压(EV)档,指示灯亮,读取表头数值即为E、P1间的交流地电压值。
1.存放保管本表时,应注意环境温度湿度,应放在干燥通风的地方为宜,避免受潮,应防止酸碱及腐蚀气体。
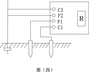
2.测量保护接地电阻时,一定要断开电气设备与电源连接点。在测量小于1Ω的接地电阻时,应分别用专用导线连在接地体上,C2在外侧P2在内侧如图四所示:
3.测量大型接地网接地电阻时,不能按一般接线方法测量,可参照电流表、电压表测量法中的规定选定埋插点。
4.测量地电阻时最好反复在不同的方向测量3~4次,取其平均值。
5.数字接地电阻测试仪为交直流两用,不接交流电时,数字接地电阻测试仪使用电池供电,接入交流时,优先使用交流电。
6.当表头左上角显示"←"时表示电池电压不足,应更换新电池。数字接地电阻测试仪长期不用时,应将电池全部取出,以免锈蚀仪表。