三相三线制测量是指使用两个功率元件实现对三相线路的测量,相当于在电路中分别接入两只电流表(串联在A、C两相)、两只电压表(分别并联在AB之间和CB之间)和两只功率表(电流线圈串联在A、C相,电压线圈并联在AB和CB之间),其测量原理如图十九所示
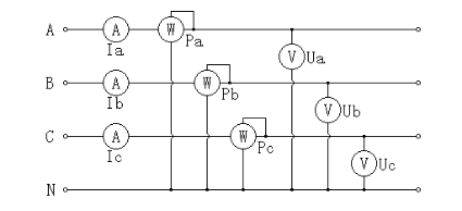
图十九、三相三线计量原理图 三相四线制测量是指使用三个功率元件实现对三相线路的测量,相当于在电路中分别接入三只电流表(分别串联在A、B、C三相)、三只电压表(分别并联在A、B、C各相对N相之间)和三只功率表(电流线圈分别串联在A、B、C相,电压线圈分别并联在A、B、C对N之间),其测量原理如图二十所示
图二十、三相四线计量原理图
三相四线制低压电能表经钳形互感器接线校验如下图二十一
图二十一、三相四线钳表接入测试 先将电压线首端的插棒按颜色分别接到手持式多功能用电检查仪面板相应的A、B、C、N电压端子上,电压线末端的鳄鱼夹分别接到被测表表尾的A、B、C、N相电压线上;再将各相的钳形互感器插到有相应标号的接口上,然后用钳形互感器卡住对应相的电流线即可。(注意:极性一定要接正确,钳形电流互感器标有A、B、C的一面为电流流入端,N的一面为流出端)。
打开手持式多功能用电检查仪开关,先按照被测表参数将"参数设置"屏中相应的参数设置正确,然后,即可进入相应的界面进行测试。
三相四线低压电能表经内部CT接入接线校验如图二十二所示:
图二十二、三相四线直接接入测试 先将电压线首端的插棒按颜色分别接到手持式多功能用电检查仪面板相应的A、B、C、N电压端子上,电压线末端的鳄鱼夹分别接到被测表表尾的A、B、C、N相电压线上;将电流线的首端插棒按颜色接到面板相应的电流端子上,有标记的接电流正端,无标记的接电流负端,电流线末端的鳄鱼夹(或插片)接到端子排两侧(I+接到远离表计侧,I-接到靠近表计侧),然后将端子排的连片打开。
打开仪器开关,先按照被测表参数将"参数设置"屏中相应的参数设置正确,然后,即可进入相应的界面进行测试。
目前有这种端子排的接线方式已经很少见对于没有端子排的只能采取钳表接入法。
三相三线高压电能表经钳表接入接线如图二十三所示:
图二十三、三相三线高压计量表计经钳表接入测试 先将电压线首端的黄、绿、红插棒分别接到仪器面板相应的A、N、C电压端子上(即黄色插棒接到电压端子UA上,绿色插棒接到电压端子UN上,红色插棒接到电压端子UC上,UB端子不接线),电压线末端的黄、绿、红鳄鱼夹按颜色分别接到被测表表尾的A、B、C三相电压线上;再将A、C两相的钳形互感器插到有相应标号的接口上,然后用钳形互感器卡住对应相的电流线即可。(注意:极性一定要接正确,钳形电流互感器标有A、C的一面为电流流入端,N的一面为流出端)。
打开仪器开关,先按照被测表参数将"参数设置"屏中相应的参数设置正确,然后,即可进入相应的界面进行测试。
三相三线高压电能表经内部CT接入接线如图二十四所示:
图二十四、三相三线高压计量表计直接接入测试 先将电压线首端的黄、绿、红插棒分别接到仪器面板相应的A、N、C电压端子上(即黄色插棒接到电压端子UA上,绿色插棒接到电压端子UN上,红色插棒接到电压端子UC上,UB端子不接线),电压线末端的黄、绿、红鳄鱼夹按颜色分别接到被测表表尾的A、B、C三相电压线上;将电流线的首端A、C两相插棒按颜色接到仪器面板相应的电流端子上(B相线不用),有极性端标记的接电流正端,无标记的接电流负端,电流线末端的鳄鱼夹(或插片)接到端子排两侧(I+接到远离表计侧,I-接到靠近表计侧),然后将端子排的连片打开。
打开手持式多功能用电检查仪开关,先按照被测表参数将"参数设置"屏中相应的参数设置正确,然后,即可进入相应的界面进行测试。
内部CT直接接入的方式能达到最高的测试精度,但接线比较繁琐
单相接线方式与三相四线制接线相同,只需将电压、电流线接入手持式多功能用电检查仪的同一相的电压和电流端子即可(因接线简单,不再给出接线图)。
测量电压谐波时只须输入电压信号,电流谐波时只须输入电流信号。
行电能表校验时,需要获取被测电能表的电能脉冲信号。有3种方式可以获得此信号:光电采样器、手动开关、专用脉冲测试线;针对不同种类的电能表,可以通过不同的方式来进行在进测试。下面给出几种常用的电能表电能脉冲的获取方式。
(1).对于机械式电能表,可以通过光电采样器进行脉冲的自动获取;将光电采样器设定为发光状态(通过按下光电采样器线中部方盒上的红色按钮来切换),将三个发光二极管所
发出的光束对准被校表的铝盘中央,适当调整光电采样器相对于表盘的位置,同时根据对黑斑的敏感程度调节光电采样器线中部方盒中央的旋钮以改变采样敏感度,防止误采
和漏采,最终达到正常采样的状态。
(2).对于机械式电能表,也可以通过手动开关进行脉冲的人工获取;操作人员手握手动开关,拇指轻放在手动开关按钮上,目视铝盘,当铝盘上的黑斑转动到电表正面的中央刻度
时,迅速按一下按钮,此时,手持式多功能用电检查仪记录下校验周期的起始位置,操作人员连续观察铝盘的转动,当黑斑到来的次数达到设定的校验圈数时,再次迅速按下按钮,完成校验,手持式多功能用电检查仪会自动计算出电表误差。由于有人为因素参与到脉冲的取样,会造成误差的不稳定度,可适当增加设定的校验圈数来消除。
(3).对于电子式电能表,可以通过光电采样器进行脉冲的自动获取;将光电采样器设定为不发光状态(通过按下光电采样器线中部方盒上的红色按钮来切换),将光电采样器的接
收头(位于三个发光二极管的中央)对准被测表的脉冲灯,适当调整光电采样器相对于表盘的位置,同时根据对脉冲灯发光的敏感程度调节光电采样器线中部方盒中央的旋钮
以改变采样敏感度,防止误采和漏采,最终达到正常采样的状态。
(4).对于电子式电能表,还可以通过专用脉冲测试线进行脉冲的自动获取;手持式多功能用电检查仪随机配备了一条专用脉冲测试线,顶端有4个鳄鱼夹,分别标有:VCC(辅助电源)、TESE-IN(信号输入)、FL-OUT(标准脉冲输出)、GND(地)。使用人员需要根据电能表电能脉冲的输出方式不同(包括有源输出和无源输出两种方式)选择不同的信号线进行取样,当被测表脉冲信号为有源输出方式时,用标有"信号"和"地"的鳄鱼夹进行取样,标有"信号"的鳄鱼夹接到被测表端子排标有"有功正"的端子,标有"地"的鳄鱼夹接到被测表端子排标有"有功负"或"公共端"的端子。当被测表脉冲信号为无源输出方式时,用标有"VCC"和"信号"的鳄鱼夹进行取样,标有"VCC"的鳄鱼夹接到被测表端子排标有"有功正"的端子用标有"信号"的鳄鱼夹接到被测表标有"有功负"或"公共端"的端子。
根据计量检定规程的要求,电能表现场校验仪在出厂时应进行检定,在投入使用后还应定期进行复检。在送检时用标准设备对校验仪输出的标准电能脉冲进行检测。手持式多功能用电检查仪的标准电能脉冲由专用脉冲线中标有FL的鳄鱼夹和标有GND的鳄鱼夹输出(各档位具体常数参见"技术指标"中的第6项-标准电能脉冲常数表格),注意:只有在"电表校验"、"走字试验"、"主菜单"三个界面才向外输出标准电能脉冲。
A、装置接线错误 B、电能表故障 C、CT部分故障
(1)计量装置正常时综合误差(含CT误差、二次接线误差和电表误差)在±3%时。
(2)综合误差在-10%至-3%时一般可能为:
A、电表不准 B、CT二次负载重 C、CT负误差
(3)综合误差超过10%时可能为:
A、CT二次接线错误 B、CT变比不对 C、缺相或错相
一般现场工作时可先进行综合误差的测量,综合误差在±3%时系统基本没有问题,当综合误差较大时可分别进行CT误差、电表误差的校验及线路诊断。
A、缺一相
缺某相电压、电流时,可从分析仪的"测量参量1"或"矢量图"两功能项直接看出。缺相原因一般是计量装置的三组元件中的某一组元件出现故障或接线断开具体可能原因:
a、电能表电压线圈一相不通(线圈断路、雷击、电压挂钩与螺钉未接触)
b、计量回路一次测某相保险熔断或接触不良
c、电压二次回路一相线路断路(保险熔断或接触不良)
d、电表或CT本身一相电流线圈或CT二次绕组开路(线圈烧断、电能表接线端或二次接线端接触不上)
e、二次电流回路中某相电流开路
B、缺两相
与缺一相的原因和情况基本类似。
C、电流一相或几相反向
电流反向可从 "矢量"功能中看出,例如上图所示的情况为A相电流反向,反向后角度与正常应相差180°,造成此种现象的原因为:
a、A相CT 的K1、K2接反
b、A相CT电缆穿出方向反向
c、CT上K1、K2与实际标注不符
D.电压与电流错相
一相或几相电压和电流不对应,使实际角度与正常差120°或240°,如下图(图二十二)
图二十二
三相三线制线路接线正确时矢
量图如右图,错误接线的分析方法参
照三相四线制线路。
单相表测量时可用仪器的任意一相进行(通常情况用A相),情况比较简单,此处不做具体讲解。
A、故意更换CT铭牌
B、CT精度不合格
C、CT损坏
如果接线正确但误差还是很大,则应调整或更换电表。
仪器采用高性能锂离子充电电池做为内部电源,操作人员不能随意更换其他类型的电池,避免因电平不兼容而造成对仪器的损害。仪器须及时充电,避免电池深度放电影响电池寿命,正常使用的情况下尽可能每天充电(长期不用最好在一个月内充一次电),以免影响使用和电池寿命,每次充电时间应在6小时以上,因内部有充电保护功能,可以对仪器连续充电。每次将电池从仪器中取出后仪器内部的电池保护板自动进入保护状态,重新装入电池后,不能直接工作,需要用充电器给加电使之解除保护状态,才可正常工作。
1、在对测量精度要求较高时,最好要用内部互感器进行测量。接电流互感器时一定要严格保证电流互感器二次侧不开路。
2、钳形互感器是高精密的测量互感器,一定要注意轻拿轻放,避免磕碰、摔坏,否则会影响测试精度。钳形表切口面需保持干净、光洁,不要污染其它杂物以保证钳形表闭合良好
3、测试开始前请输入正确的设置参数,否则可能会造成数据结果偏差或错误。
4、用钳形表卡一次铝排时,一定不要让钳形表切口铁芯碰到铝排,否则可能发生危险,损坏钳形表及仪表。
