1.7.2.min.js">
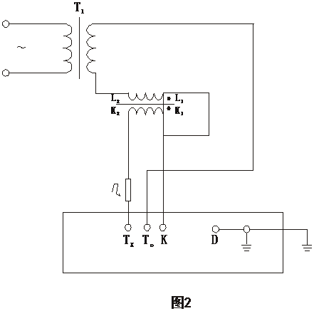
若电流互感器有5/5或者1/1电流比时,则可经常进行自校,以考核其准确度。
自校线路如图2所示。图中TX为电流互感器,为负荷箱。
电流互感器自校图: 
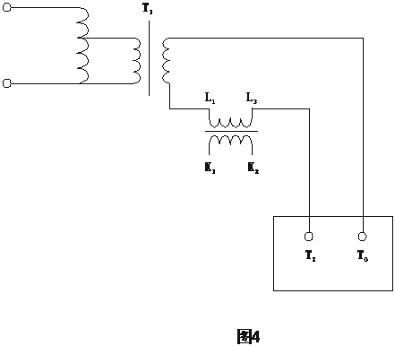
标准电流互感器检定比其低两级或两级以下准确等级的互感器时,其线路图如图3所示。图中,To为标准电流互感器,TX为被检电流互感器,为被检电流互感器所带的负荷。
电流互感器检定图:
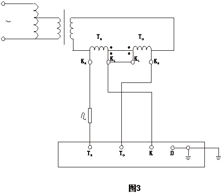
电流互感器退磁图:
1. 检定电流互感器时,标准电流互感器与被检电流互感器的电流比必须相同。
2. 严格按照图中所给出的线路接线。
3. 检定互感器之前,须先测试负荷箱是否准确。
4. 检定过程中,严禁二次绕组开路。
5. 检定互感器之前需先退磁,退磁线路如图4所示。
6. 在图4中,二次开路,均匀缓慢调节调压器,使百分表指示由0增至100%,然后均匀且缓慢地降至零。重复这一过程2~3次。退磁完毕后切断电源之前,应将二次绕组短接。
7. 带升流器电流互感器的接线原理图与上述的接线图大致相同,只是升流器的输出绕组与互感器的一次绕组是同一绕组,其余均相同。