• 鼎升电力二维码
  • 电力预防性试验China Electric Industry Ieaders
  • 全国统一服务热线:400-6698-612

DBJF-H数字局部放电检测系统操作方法

  • 该局部放电检测系统应用于各类高压电器设备的局放测量,代表国内数字局放的先进技术
  • 产品说明书 技术参数 附件清单
  • 提醒:关于咨询、购买、维护及产品故障等相关服务,致电客服。

数字局部放电检测系统操作方法

数字局部放电检测系统操作说明

(一)试验准备

1. 检查试验场地的接地情况,将数字局部放电检测系统后部的接地螺栓34用粗铜线(最好用编织铜带)与试验场地的接地线妥善相接。输入单元的接地短路片也要妥善接地。
2. 根据试品电容CX耦合电容CK的大小,选取合适序号的输入单元,表一中调谐电容量系指从输入单元初级绕组两端看到的等效电容(可按CX与CK的串联值粗略估算)。
输入单元应尽量靠近被测试品,输入单元的"接放大器"Q9插座,经8米长电缆与仪器后背板上的放大器输入插座26(有绿色圈)相接。
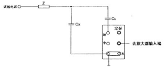
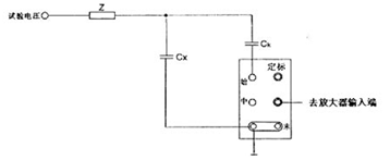
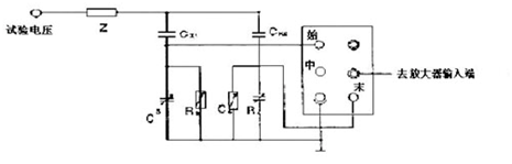
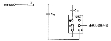
3. 数字局部放电检测系统接入输入单元的方法主要有以下几种(见图1)。
数字局部放电检测系统并联接法图图1a 并联接法 数字局部放电检测系统并联接法图图1b 并联接法 数字局部放电检测系统桥式接法图桥式接法 数字局部放电检测系统平衡式接法图平衡试接法 图中:CX——试品;CK——耦合电容;Z——阻塞阻抗;
R3、C3、R4、C4——桥式接法中平衡调节阻抗。
4. 在高压端接上电阻分压器或者电容分压器,其输出经测量电缆接到后背板"接高压电阻"输入插座27(红色)。
5. 常用局部放电试验电路见图2
数字局部放电检测系统局部放电试验标准接法电路图图2 局部放电试验标准接法电路(直接法的并联法) 图中:A-输入单元的初级始端;B-输入单元的初级末端,C-输入单元的初级中心抽头,E-输入单元地。

(二)数字局部放电检测系统使用步骤

1. 开机准备

    将"时基频率"选择7置于"50(内)""时基工作方式"5置于"椭圆"。对数线性选择开关 2置于线性。电源插座33接上220V工频电源,将电源开关12按到"ON"位置,开机预热
5分钟。

2. 数字局部放电检测系统校准:

参照图2接好线后,在未加试验电压前用JZF型校正脉冲发生器予以校准。
注意:校正脉冲发生器红端子上的导线尽量短且接在试品的高压端,黑端子导线接在试品的低压端。
调节"放大器增益细调"13与"放大器增益粗调"15使注入脉冲高度适当(示波屏上显示高度2cm以下);电压、放电量数字表(3)的示数和线性、对数指针表(1)的示数与
注入已知电量相符。
校准完毕后,"放大器增益细调"(13)的旋钮位置不能再改变,在以后测试中放大器的频带也不能改变,必须保持与校正时相同。
在校准完毕后,加试验电压前,一定要断开校正脉冲发生器与试品的连接线,以防高电压打坏校正脉冲发生器。
下面以图2为例,介绍一种试验方法:
例:用-9或-10型校正脉冲发生器注入试品两端的电量为50pC,调节局放仪面板粗调旋钮15,在第三档调节放大器增益细调旋调13,使其表头"1"指示为50pC。去掉校正
脉冲发生器,加入试验电压,此时表头1所指示值即为放电量值的大小,如大于50pC时应衰减"15"一档("15"为放大器增益粗调共分5档,每档20dB,10倍的关系)。

3. 测试操作

a.接通高压试验电路电源,将kV-pC选择开关4置于"kV","零标选择"开关25置于"R"位置,缓缓升高试验电压,椭圆上将出现两个零标脉冲,零标相位差180°,如试验电
压超过高压电阻R的额定电压等级,则可在低电压下将"零标选择"开关25置于"内"位置,出现由仪器产生的辅助零标脉冲,这时可以调节旋钮23,使辅助零标相位与"R"档
时;相符(极性也要一致),则在高压下不用高压电阻"R"也可获得正确的零标位置。
b. 旋转"椭圆旋转"9使椭圆转到预期的在放电时能最利于观察之处,通常这个位置是零标脉冲分别处于椭园上部左侧及下部右侧之处。连续升高电压,注意第一次出现持
续放电,当放电量超过规定的最低值时的电压即为局部放电起始电压。
c. 测试中常会发现有各种干扰出现,可籍"时间窗"开关18、19、用一个或两个并用电位器17与 20来改变椭圆上加亮区域的宽度与位置。使其避开干扰脉冲。用时间窗装
置可以分别测量产生于两个半波内的放电量。

4.频率高于50Hz的局部放电试验

    4.1 当须进行高于50Hz的局部放电试验时,可将"时基频率"选择7按在相应频率档上,从高频试验电源中取10V-250V试验电压送入插座29上,(转动"高频电压"选择8,使
椭圆大小适当即可,)
4.2当"高频电压"选择8位置不当引起过载时,则电源会自动切断,同时过载指示灯6亮,此时应将"高频电压"选择8顺时针方向转到底,按一下"复位"按钮11即可恢复启动
(过载指示灯6灭)。示波屏上出现椭圆显示。
注意:为保护示波管,试验电压输入"高频电压"选择8所示值之比大于15%时才有椭园显示。

(三)输出电压设置

   按一下"启动"按钮,根据所需试验电压,顺时针转动"电压调节"旋钮,同时观察输出电压窗口中示值达到所需电压值时,停止转动电压调节旋钮,并保持"电压调节"旋钮位置不变 按下"复位"按钮,则试验电压设定完毕。 注:在以后测试过程中,如不改变试验电压,每次测试只需按一下"启动"按钮即可。如需改变试验电压,则重复上述步骤。
读数方式如下:
a. 数显式: 由仪器"电压"显示窗口直接读取输出电压值。

(四)附则

1. 放电类型和放电源的辨认

    先介绍一下示波屏上的椭圆轨迹,它是顺时针方向旋转,正零标脉冲表示试验电压开始由负变向正极性;负零标脉冲则与之相反,两零标间的中点为试验电压的正、负峰值部位。
    从椭圆上的放电图形辩认放电类型以及识别各种干扰是一门技术性很强并需有丰富实践经验的学问(最好再结合其他方法予以确认)。CIGRE(国际大电网会议)也为须此专门编了
放电图形识谱的小册子,它是根据放电图形中放电位置、移动与否,正负半周的放电幅值一致程度以及放电幅值随试验电压及加压时间的变化特征来判断的,这里只能粗略加以介
绍。
一般来说来,视为真正的内部气泡形成的局部放电,其主要特征是放电大多产生在靠近试验电压峰值前上升部位的两半周内。
(1)典型的内部气泡局部放电(见图3),波形特征:
a放电主要显示在试验电压由零升到峰值的两个椭圆相限内。
b在起始电压 Ui时放电通常发生在峰值附近,试验电压超过 Ui时,放电向零位延伸。
c两个相反半周上放电次数和幅值大致相同(最大相差至3:1)。
d放电波形可分辨。这里又有几种情况:
1)如果放电幅值随试验电压上升而增大,并且放电波形变得模糊不可分辨,则往往是介质内含有多种大小气泡,或是介质表面放电;
2)如果除了上述情况,而且放电幅值随加压时间而迅速增长(可达100倍或更多),则往往是绝缘液体中的气泡 放电,典型例子是油浸纸电容器的放电。 用线控端子进行耐电
压测试(面板上"启动"、"复位"按钮失效,)"定时"键置于"关"位置。
数字局部放电检测系统局部放电试验标准接法电路图图3 局部放电试验标准接法电路(直接法的并联法)     (2)金属与介质间气泡的放电(见图4 a),波形特征:正半周有很多幅值小的放电,负半周有少数幅值大的放电,幅值相差可达10:1。其它同上,典型例子是绝缘与导体粘附不 佳的聚乙烯电缆放电。如果随试验电压升高,放电幅值也增大,而且放电波形变得模糊,则往往中含有不同大小多个气泡,或者是外露的金属与介质表面之间出现的放电(见图4
b)。数字局部放电检测系统局部放电试验标准接法电路图 图4 a 图4b 下面讨论一些主要视之为干扰或非正常放电的情况。
    (3)悬浮电位物体放电(见图5 a),波形特征:在电压峰值前的正负半周两个象限里出现,幅值、脉冲数和位置均相同,有时(如图7 b所示)成对出现,放电可移动,但它们间的相互间隔不变,电压升高时,根数增加,间隔缩小,但幅值不变,有时电压升到一定值时会消失,但降至此值又重新出现。原因:金属间的间隙产生的放电,间隙可能是地面上两个独立的金属体间也可能在样品内,例如屏蔽松散。
数字局部放电检测系统局部放电试验标准接法电路图 图5 a 5b     (4)外部尖端电晕(见图6 a),波形特征:起始放电仅出现在试验电压的一个半周上,并对称地分布峰值两侧。试验电压升高时,放电脉冲数急剧增加,但幅值不变,并向两侧伸展(如图6 b所示)。原因:空气中高压尖端或边缘放电。如果放电出现在负半周,表示尖端处于高压,如放电出现在正半周则表示尖端处于地电位。
数字局部放电检测系统局部放电试验标准接法电路图 图6 a 图6b     (5)液体介质中的尖端电晕(图7 a),波形特征:放电出现在两个半周上,对称地分布在电压峰值两则。每一组放电均为等间隔,但一组幅值较大的放电先出现,随试验电压升 高而幅度增大,不一定等幅值:一组幅值小的放电幅值相等,并且不随电压变化(如图9 b所示)。原因:绝缘液体中尖端或边缘放电,如一组大的放电出现在正半周,则尖端处于高压;如它出现在负半周,则尖端处于地电位。
数字局部放电检测系统局部放电试验标准接法电路图 图7 a 图7b

二、数字局部放电检测系统使用注意事项

2.1. 数字局部放电检测系统使用前务必详阅此使用说明书,并遵照指示步骤,依次操作。
2.2. 请勿使用非原厂提供之附件,以免发生危险。
2.3. 数字局部放电检测系统与被测物必须良好接地,不允许随意扎在自来水管道上。
2.4. 数字局部放电检测系统产生的高压足以造成人员伤亡。为预防触电事故的发生,在使用本仪器前,请先戴上缘橡皮手套,脚下垫绝缘橡皮垫,然后进行有关操作。
2.5. 当数字局部放电检测系统处于测试状态下,请不要触摸测试线、被测物、测试棒和输出端。
2.6. 不要使本仪器的测试线、线控线与交流电源线短路,以免仪器整体带电。
2.7. 当测试完一个被测物,要更换另一被测物时,应使测试仪处于"复位"及"测试"指示灯熄灭和电压示值为"0"状态下进行。
特别注意:测试时,请不要用手触摸高压测试头,以免发生意外。
2.8. 一旦电源开关被切断时,如再度开启时,则需等几秒之后,千万不要把电源开关连续做开与关的动作,以免产生错误的动作损坏仪器。
2.9. 数字局部放电检测系统空载测试时,漏电流会有示值。

厂家承诺、客户必读
说明我公司将竭诚为您提供专业的产品及咨询与有效的技术服务,并及时提供工程预约及产品使用疑难解答, 已购买或即将使用本公司产品的客户,遇技术疑难,请致电我们。

我们严格遵守与客户签订的合同的各项条款,严格履行厂家销售服务承诺书,本产品一年质保,终身维修,因使用不当或保修期外的故障产品可凭产品保修卡修理。本公司坚持"用户为是,品质为上"的服务使命,为客户提供优质的产品和满意的服务。

产品服务流程|检定证书| 出厂报告|保修卡|物流包装|产品技术

400-6698-612 全国产品统一服务热线(免费咨询)
027-87875698 / 027-87180938

027-87180938
工作时间(上午8点30分 至 下午17点30分)

产品维修中心|技术咨询|订制产品
  • 客服中心
  • 全国统一服务热线:400-6698-612
  • 销售咨询:027-87875698
  • 技术售后:027-87180938
  • 2239963269 (点击咨询)
Copyright © 2016 CHINA DSEPA | 法律声明 鄂ICP备14004560号
武汉鼎升电力自动化有限责任公司 版权所有 侵权必究